18620311051


2.1、自動下袋、自動填充、自動封口、成品輸出、自動計數,無袋不充填,無袋不封口;
Automatic bag feeding, liquid filling, sealing, and finish bag out feeding; with auto counting function, no bag no fill, no bag no seal;
2.2、與物接觸部分均采用不銹鋼316制造,符合GMP標準;
Contact parts all made of SS 316, compliance with GMP standard.
2.3、充填系統采用磁力齒輪泵;
Filling system adopts electrical gear pump.
2.4、PLC+液晶觸摸屏控制操作,可在觸摸屏上輕松設置參數,產量和出錯信息清晰直觀,數字顯示溫控;
PLC combined with touch screen control system, could set parameters directly, production output and error message can be viewed from the screen directly.
2.5、電氣和氣動元件均選用國際知名品牌。
Electrical and pneumatic parts all adopts international famous brands
M型號odel | YH-M10 |
動作流程 Working Procedure | 自動下袋、自動充填、自動封口、成品輸出 Automatic bag feeding, liquid filling, sealing, and finish bag out feeding |
通道數 Lanes | 10 |
生產效率Capacity | 11500~12500PCS/H |
面膜袋規格 Facial Mask Bag size | 寬95-165mm 長120-220mm W:95-165mm L:120-220mm |
充填泵 Filling Pump | 磁力齒輪泵 Electrical Gear Pump |
充填精度 Filling Accuracy | ±0.3g |
袋子定位方式 | 升降緩沖定位 |
電源、功率 Power | 電源:380V/3Ph 、功率:8.5KW 380V/3ph, 8.5Kw |
氣源、耗氣量 Working Pressure | 0.6Mpa |
設備尺寸 Machine Dimension | L2926×W1100×H1915mm |







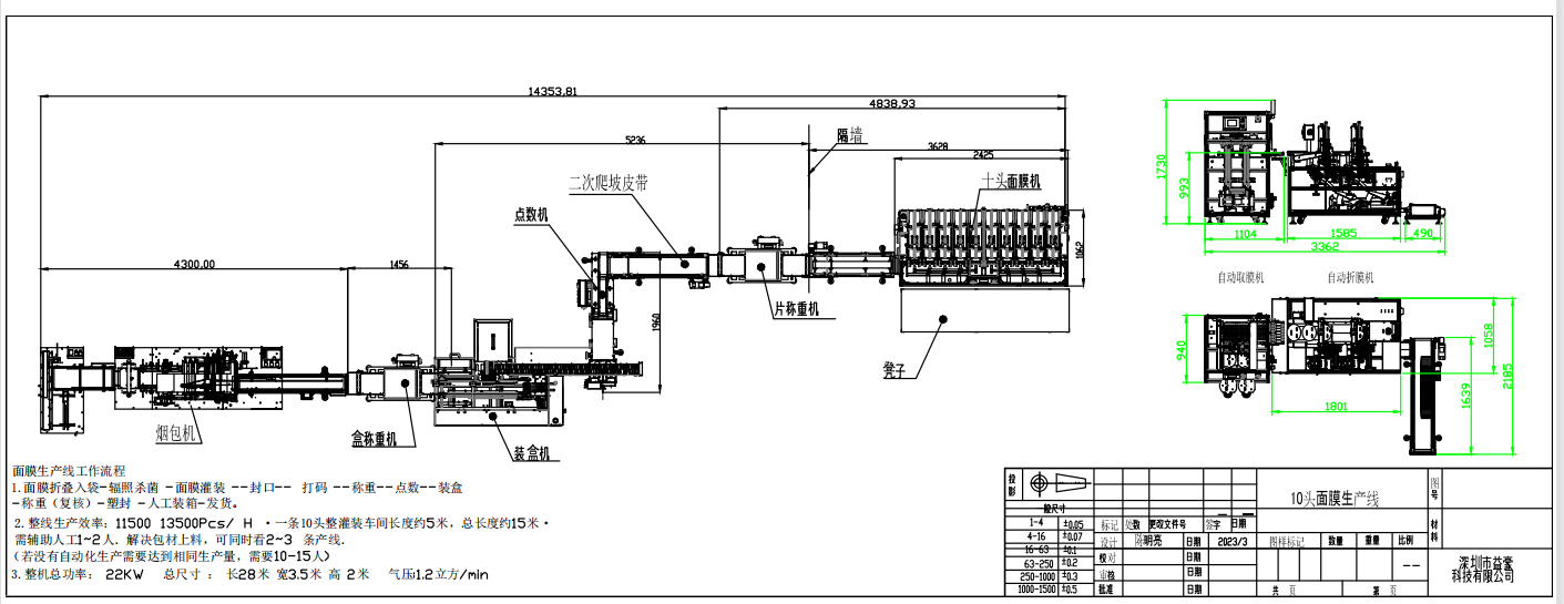
全自動10頭面膜線設備方案:
